Поставщик в РБ: Общество с ограниченной ответственностью "ТБМ-Бел", 222750,РБ,г.Фаниполь,ул.Заводская 43,Дзержинский р-н.,Минская область
Описание
Характеристики
Описание
Уплотнитель для окон применяется в качестве защиты от проникновения из окружающей среды звука, воздуха и влаги вовнутрь помещения. Правильно подобранный уплотнитель не будет препятствовать и мешать закрытию и открытию оконной створки. Так же немалую роль играет материал, из которого изготовлен уплотнитель для евроокна.
Непревзойденно мягкий и качественный прижим по всему периметру створки, независимо от размеров оконного блока
Устойчивость к резким перепадам температуры, УФ излучению и озону
Высокая восстанавливаемость после сжатия
Высокие показатели долговечности и устойчивости к старению
Характеристики:
Изготовлен из термопластичного эластомера (ТПЕ) на основе SEBS, что обеспечивает долговечность
Устойчив по отношению к старению, ультрафиолетовому излучению и озону
Незначительная остаточная деформация
Комфортное закрытие створки по всему периметру окна
Твердость 55 ед. ШорА
Температура эксплуатации от -50С до +60С
Превосходная стойкость к воздействию озона, масел, слабых щелочей и кислот, бактерий и грибков
Характеристики
Торговая марка
Rehau
Вид
Уплотнитель
Все характеристики
Страна производства: Россия
Поставщик в РБ: Общество с ограниченной ответственностью "ТБМ-Бел", 222750,РБ,г.Фаниполь,ул.Заводская 43,Дзержинский р-н.,Минская область
Илья
21.03.2022
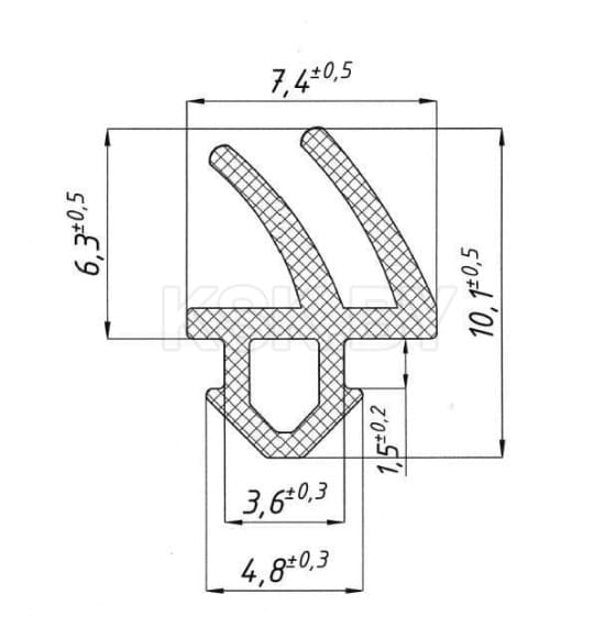
Уплотнитель для профиля 1уп.--20м REHAU (952) (рама, створка),чёрный, "ELEMENTIS",
Отличное качество резинового уплотнителя.для моего профиля rehau подошло идеально.руки резина не красит.
Вы можете настроить использование файлов cookie, за исключением типа "Функциональные (обязательные) cookie-файлы",
без которых невозможно корректное функционирование сайта ksk.by.
Сайт запоминает Ваш выбор настроек на 1 год. По окончании этого периода Сайт снова запросит Ваше согласие.
Вы вправе изменить свой выбор настроек файлов cookie (в т.ч. отозвать согласие - "Отказаться") в данной форме «Выбор настроек Cookie» на Сайте в любое время.
Данный тип cookie-файлов требуется для обеспечения функционирования Сайта,
в том числе корректного использования предлагаемых на нем возможностей и услуг,
и не подлежит отключению. Эти cookie-файлы не сохраняют какую-либо информацию о пользователе,
которая может быть использована в маркетинговых целях или для учета посещаемых сайтов в сети Интернет.
Аналитические cookie-файлы
Данный тип cookie-файлов необходим в статистических целях, позволяют подсчитывать количество
и длительность посещений Сайта, анализировать как посетители используют Сайт,
что помогает улучшать его производительность и сделать более удобным для использования.
Запретить хранение данного типа cookie-файлов можно непосредственно на Сайте (в данной форме) либо в настройках браузера.
Отключение аналитических cookie-файлов не позволит определять предпочтения пользователей Сайта,
в том числе наиболее и наименее популярные страницы и принимать меры по совершенствованию работы Сайта
исходя из предпочтений пользователей.
Рекламные cookie-файлы
Рекламные cookie-файлы используются для целей маркетинга и улучшения качества рекламы
(предоставление более актуального и подходящего контента и персонализированного рекламного материала).
Запретить хранение данного типа cookie-файлов можно непосредственно на Сайте (в данной форме) либо в настройках браузера.
Отключение рекламных cookie-файлы не позволит принимать меры по совершенствованию работы Сайта,
исходя из предпочтений пользователя, а также осуществлять подбор рекламы, иных рекламных материалов по наиболее актуальному,
подходящему назначению для каждого конкретного пользователя.